联系我们收藏本站在线留言网站地图欢迎进入西安相远科技有限公司!
24小时咨询热线: 18991129503
400-101-2883
西安相远科技有限公司 20年专注石油化工领域磁翻板液位计研发定制厂家
相远科技,资讯全方位,头条早知晓

DDZ-Ⅲ型差压(压力)变送器

作者: 东风 编辑: 蘑菇 来源: 相远液位计 点击数: 1 发布日期: 2018.09.25
信息摘要:
DDZ-Ⅲ型差压(压力)变送器是采用二线制的安全火花型仪表,与输入安全栅配合使用,可构成安全火花防爆系统,适用于各种易燃易爆场所。本篇相远仪…

    DDZ-Ⅲ型差压(压力)变送器是采用二线制的安全火花型仪表,与输入安全栅配合使用,可构成安全火花防爆系统,适用于各种易燃易爆场所。本篇相远仪表将为大家介绍DDZ-Ⅲ型差压(压力)变送器 相远仪表:400-101-2883】。

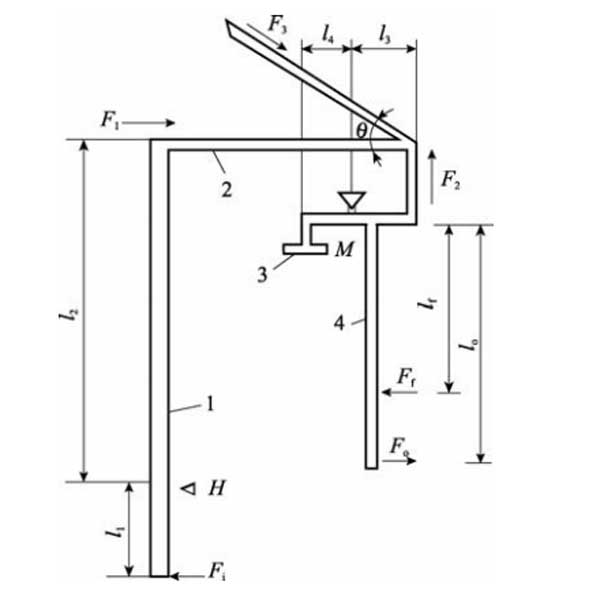
    DDZ-Ⅲ型差压(压力)变送器是采用二线制的安全火花型仪表,与输入安全栅配合使用,可构成安全火花防爆系统,适用于各种易燃易爆场所。DDZ-Ⅲ型差压(压力)变送器基于力矩平衡工作原理,主要由检测元件、杠杆系统、位移检测放大器和电磁反馈装置组成,其原理框图如图 1 所示。图2 为 DDZ-Ⅲ型差压(压力)变送器的工作原理示意图,被测压力通过高压室和低压室的比较转换成差压Δ p= p2−p1 ,该差压作用于膜片或膜盒上,产生输入力 Fi 作用在主杠杆的下端,使主杠杆以密封膜片 O1 为支点顺时针旋转,形成力 F1 推动矢量机构沿水平方向移动。矢量机构将力 F1 分解成垂直方向的分力 F2 和斜向分力 F3 ,F2 作用于负杠杆使其以 M 为支点逆时针旋转,从而使固定在负杠杆上的位移检测片靠近差动变压器,使变压器气隙减小,输出电压增加,放大器的 DC 4mA~20mA 输出电流Io也增加。输出电流Io 通过电磁反馈线圈在永久磁钢的作用下产生反馈力 Ff  作用在副杠杆上,使副杠杆按顺时针旋转。当反馈力 Ff 与作用力 F2 在副杠杆上形成力矩达到动态平衡时,杠杆系统保持稳定状态,放大器输出电流 Io也稳定在某一数值上,Io反映了被测差压 Δp 的大小。

相远仪表


图1

相远液位计

图2


    主、副杠杆和矢量机构的受力分析图如图3 所示。输入力 Fi 、检测元件膜片或膜盒的有效面积 A 与被测压力 Δp 之间的关系为


相远仪表

图3

相远仪表

图4


    由上式可以得出以下结论:

    (1) DDZ-Ⅲ型差压(压力)变送器的输出电流Io 与被测差压之间Δp成线性关系。

    (2)式中第二项为调零弹簧所产生的输出电流的大小。当 Δp= 0,调整调零弹簧使该项输出为 o I = 4mA ,或者用于零点迁移。

    (3) 式中第一项用于调整量程的上限。当Δp =Δpmax时,使该项对应的输出电流Io= 20mA 。由于 Kp 与膜片的有效面积 A、反馈线圈匝数ω 和矢量机构的夹角θ有关,因此,可以改变 A 和ω 进行量程粗调,改变θ进行量程细调。

    (4) 调整量程项和调零项都与 Kf 有关,所以二者相互影响,必须反复调整,才能满足精度要求。


    【相远仪表】集仪表开发、设计、生产、服务于一体的综合性表企业,二十年行业经验,只为打造安全可靠的好仪表,进一步了解相远仪表您可以拨打客服热线:   400-101-2883或【029-88608386-603    

全国服务热线

18991129503